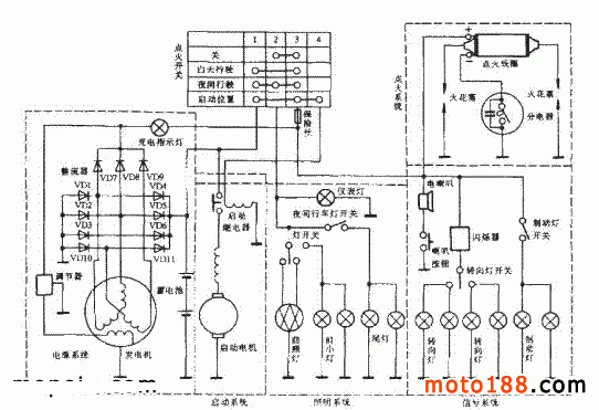
長江750F 型正三輪摩托車的長江750F1 型發動機電路的工作原理如圖所示。整個電氣系統可分為點火系統、電源系統、啟動系統、照明系統和信號系統。

一、點火系統故障檢修
長江 750F 型正三輪摩托車的點火系統主要由點火線圈、分電器和火花塞組成(參見上圖 )。它與信號系統并聯,接在點火開關的 3 點上。它的電源為直流電。發動機工作時,分電器的觸點時張時閉。觸點閉合時,電流由點火線圈初級經觸點到地,初級線圈產生磁場。到了點火時刻,觸點張開,電路被切斷,初級線圈的磁場消失,在次級線圈內感應出高壓電,使火花塞跳火。點火系統的常見故障有火花塞不跳火、火花過弱及點火時間過早或過遲。
1. 火花塞不跳火
故障現象:發動機不能啟動,也無任何著車征兆。取下火花塞試火,火花塞不跳火。
故障原因:( 1 )由于該車的點火電源是蓄電池,所以蓄電池電量不足或沒有電,即會引起火花塞不跳火。( 2 )蓄電池至點火開關的線路斷路。( 3 )點火開關的觸點接觸不良。( 4 )點火線圈至分電器的線路斷路。( 5 )點火開關至點火線圈的線路斷路。( 6 )點火線圈損壞。( 7 )分電器觸點間有油污,或觸點被燒蝕,或觸點間隙不對。( 8 )電容器被擊穿。
故障檢查方法及步驟:
( 1 )打開點火開關,按下喇叭按鈕或操縱轉向燈開關,觀察電喇叭或轉向燈是否工作。將點火開關鑰匙旋至啟動位置,看是否能聽到啟動繼電器觸點的接合聲及啟動電機的運轉聲。如果所有用電裝置都不工作,則可能是蓄電池沒有電,也可能是點火開關的觸點接觸不良或從蓄電池至點火開關的線路斷路。可找一根多股絕緣導線,將其一端接蓄電池的正極,另一端剝去絕緣層,分出其中一股與車身或蓄電池負極碰接。碰接時若沒有火花出現,則表明蓄電池的電量放盡。若在碰接時,被碰的那股銅絲一下就被燒毀,則表明蓄電池電量充足。
蓄電池電量放盡的原因可能是啟動次數過多,或停車時沒有及時關閉點火開關,使蓄電池經點火開關、點火線圈初級、分電器觸點長時間放電。出現這種情況時,應對蓄電池進行補充充電,或借用另一電量充足的蓄電池接在點火電路中,啟動發動機,讓其自行充電。
( 2 )將點火線圈正極接線柱的導線取下。另用一根導線,一端接點火線圈正極,另一端接蓄電池正極,踏動啟動蹬桿,如果發動機能啟動,則說明點火線圈、分電器沒有故障,故障可能出在點火開關至點火線圈的線路中。檢查點火開關的觸點是否接觸不良,點火開關至點火線圈的線路是否斷路。若觸點接觸良好,線路中也無斷路現象,則應進一步做如下檢查:首先檢查分電器的觸點間隙是否在 0.35 ~ 0.45mm 之間,觸點間是否有油污。其次檢查電容器是否被擊穿。方法是將電容器拆下,再啟動發動機,若發動機能啟動,表明電容器被擊穿,應予更換。最后檢查點火線圈。方法是,用一根導線,一端搭鐵,另一端碰點火線圈負極,若此時火花塞跳火,則表明點火線圈無故障。采用導線直接連接蓄電池或點火線圈的方法檢查故障時,導線持續連接的時間不宜過長,以免蓄電池通過所連接的導線大量放電。檢查時,若發現分電器觸點燒蝕嚴重,可用白金砂條修磨觸點。修磨后,用干凈的棉紗擦凈觸點間的污物,然后調整觸點間隙。
2. 火花塞火花過弱
故障現象:發動機啟動困難,偶爾啟動后,也會出現排氣管放炮、油耗增加、功率下降等現象。
故障原因:( 1 )蓄電池的電壓過低。( 2 )線路中有短路現象,使通過點火線圈的電流減弱。( 3 )點火線圈損壞。故障檢查方法:按下喇叭按鈕或操縱轉向燈開關,若電喇叭聲音沙啞或轉向燈工作不正常,則表明蓄電池的電壓過低或電路中有短路現象。不過,電路中如有短路現象出現,便會聞到電線被燒焦的臭味。對此應立即關掉點火開關,將短路的線路拆除,更換新線。蓄電池的電壓過低只影響發動機的啟動性能。發動機一旦工作后,點火系統主要由硅整流發電機供電。
碰到因蓄電池電壓過低而不能啟動發動機時,可借用另一輛車上的蓄電池(電量充足的 6V 6A ·h 個蓄電池也可)將發動機啟動。發動機啟動后,硅整流發電機便可向蓄電池充電。
若經檢查,蓄電池的電量充足,則應進一步檢查點火線圈是否損壞。可換一個新點火線圈,進行對比試驗來確認。由于火花塞的火花強弱用肉眼很難觀察出來,所以碰到發動機啟動困難時,如果通過以上檢查未發現異常,則應檢查油路。油路不正常,同樣會使發動機啟動困難。
3. 點火時間過早或過遲
故障現象:若點火時間過早,發動機工作時就會產生爆震,使其輸出功率降低,油耗增加,加速性變差;若點火時間過遲,發動機工作時就會出現過熱、功率下降、加速性變差。油耗增加及排氣管放炮等現象。
故障原因:造成點火時間過早或過遲的主要原因有:( 1 )分電器的觸點間隙不對;( 2 )固定安裝板的壓緊螺母松動。故障排除方法:點火時間的檢查與調整方法如下。
( 1 )取下分電器蓋,將分電器的觸點間隙調整到 0.35 ~ 0.45mm 。
( 2 )取下曲軸箱觀察孔上的橡膠堵頭,輕輕踏動啟動蹬桿,使飛輪上的刻度“ 6 ”對準觀察孔中央。
( 3 )松開壓緊螺母,轉動安裝板,使安裝板上的刻線對準前機匣上的中心線,然后擰緊壓緊螺母。
( 4 )在電容器的兩端并聯一只測試燈,或將萬用表( 50V 直流電壓擋)紅表筆接分電器的活動觸點,黑表筆搭在分電器殼體上。
( 5 )松開安裝板上的緊固螺釘,打開點火開關,右手用起子按順時針方向擰住點火凸輪固定螺釘,以消除分電器傳動件間隙;左手轉動分電器,旋轉至測試燈剛閃亮的位置時,膠木枕塊應在點火凸輪最大行程的左部(點火凸輪旋轉方向為逆時針方向),分電器上、下觸點應剛張開。若用萬用表檢查,此時萬用表的指針應剛偏轉到 12V 左右。最后將緊固螺釘擰緊。
( 6 )輕輕踏動啟動蹬桿,帶動飛輪旋轉 360° ,測試燈似明似暗時,檢查飛輪上的刻線“ 6 ”是否在觀察孔中央。若不在中央,應重新調整。調整后轉動曲軸,使另一缸的活塞處于上止點位置,再檢查觸點間隙,其變化不應超過 0.1mm 。在使用中,若感覺發動機點火時間過早,可松開壓緊螺母,逆時針轉動安裝板,使其上刻線相對機匣上的刻線移動(每移動一格,點火提前角變化 2° );若感覺點火時間過遲,可順時針方向轉動安裝板進行調整。調整合適后,擰緊壓緊螺母。
- 下一篇:LED摩托車信號燈配光設計 (1)
- 上一篇:根據線圈電阻質值判斷磁電機故障
共0條 [查看全部] 相關評論






